Benutzer-Werkzeuge

Webseiten-Werkzeuge


elektronik:dimmer

Phasenabschnittsdimmer

Ich möchte gerne meinen 5 Kanal Phasenanschnitt Dimmer vorstellen. Zur Steuerung von Lampen und Scheinwerfern in meiner Wohnung habe ich das folgende Gerät gebaut. Mit Maximal 8 Ampere pro Kanal (1800 Watt) kann man schon ordentliche Lampen anschliessen. Zu beachten ist allerdings, dass man insgesamt nur 3600 Watt aus einer 16 Ampere Steckdosen bekommen kann.

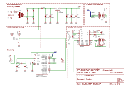
Schaltplan / Schaltung

Schaltplan Steuerungsteil Schaltplan Leistungsteile

Die Schaltung ist nicht sehr aufwändig. Man kann es grob zwischen Steuer- und Lastteil trennen. Der Steuerteil erhält seine Versorgungsspannung aus einem Trafo mit Gleichrichter und Linear Spannungsregler. Die Logik bildet ein ATtiny2312 welcher über die Transistorstufe mit der Netzspannung syncronisiert wird. Dann wird per Software abgezählt und im richtigen Moment der jeweilige Kanal eingeschaltet. Die Lastteile sind TIC226 Triacs welche über einen Optodiac gezündet werden. Der Widerstand und der Kondensator in Reihe Parallel zum Laststrompfad stellen die Funkenlöschung (Snubber) dar. Die große Drossel dient der Entstörung.

Natürlich habe ich auch ein Layout entwickelt. Eine EURO Karte (100x160mm) passend für viele Gehäuse ab Werk:


Weil die Schaltung so einfach ist, konnte die Platine natürlich Einseitig gestaltet werden. Lediglich eine kleine Massebrücke sollte eingebaut werden. Zur not kann diese aber auch weggelassen werden.

Software

Das ganze Projekt kann auch per SVN auf die Heimische Festplatte kopiert werden:

svn co https://secure.lp-server.net/svn/src/phasenanschnitt/

Wer keinen SVN Clienten hat benutzt einfach das WebSVN.

Die derzeitige Firmware ist wahrlich noch nicht vollendet. Es fehlt noch eine Linearisierung einiges kann durchaus noch optimiert werden. Für ideen oder erweiterungen bin ich immer dankbar.

Versuchsaufbau

Hier noch die erste „geflogenen“ Version:

Fliegenden Verdrahtung der ersten Version

So nicht nachmachen! ;-)

Aufbau 29.03.2007

Endlich habe ich die geätzte Platine. Vielen Dank an dieser Stelle an Christoph, der mir diese Platinen hergestellt hat. Ich habe den alten Aufbau komplett auseinander gebaut, alle Bauteile ausgelötet und den Rest entsorgt. Als nächsten Arbeitsschritt habe ich die Platine gebohrt und schließlich die Bauteile eingelötet. Ein kurzer Check folgte, dann habe ich die Leitungen angeschlossen und Spannung angelegt. Erfreulicherweise ist nichts in die Luft gegangen und die Platine macht wieder ihre Arbeit. ;-)

Neue Platine 1 Neue Platine 2

Verbesserungen

Bei Zeiten muss ich nochmal an der Firmware schrauben:

  • Linearisierung der Helligkeit fürs menschliche Auge
  • Speichern der Helligkeit beim Abschalten
  • Implementierung einer Infrarotferbedienung
elektronik/dimmer.txt · Zuletzt geändert: von 127.0.0.1